MDX Technology, Inc.                                               
    22691 Lambert Street, Suite 510
    Lake Forest, CA 92630
   
Toll Free: 1-866-872-7810  Direct: 714-837-7080  admin@mdxinc.com

 

  MDX Technology Home Refurbished Instrument Instrument Repair Services

Instrument Service Parts

Chromatograpy Consumable On Site Engineer Service Tools and Devices    Request Quote Contact Us  

 

Agilent LC Shimadzu LC Waters LC Surveyor LC HP 5890 GC TraceGC HP GCMSD GCQ TraceMS DSQ  

 

AB API2000 AB Mariner TSQ7000 LCQ Series LTQ Series Quantum LTQ Orbitrap Q-Exactive Fusion TSQ 8000  

 

Shimadzu LC/MS 8010 TSQ Quantiva Endura Dionex Ultiimate             Misc.  

 

 

Thermo Exactive, Q-Exactive -- Diagnostic, Troubleshoot and Services Parts

 
  • All items had refurbished and system level tested, meeting or surpassing functional specification and come with 30 days money back Warranty.

  • Exchange is trading defective part for fully refurbished replacement part and will provide Pre-paid shipping slip and please return defective unit back to us.

  • If can not find the parts you are looking for please Email admin@mdxinc.com or call Toll Free: 866-872-7810 Direct/Text 714-837-7080

  • For Inquire or Question please email admin@mdxinc.com or call Toll Free: 866-872-7810 Direct/Text 714-837-7080

  • For Ordering Via Paypay please provide PayPal email address Via (admin@mdxinc.com) will Check Stock and Provide you PayPal Invoice.            

  • For Ordering via Credit Card we can email you Credit Card Authorization form to authorize Credit Card payment.

 

 

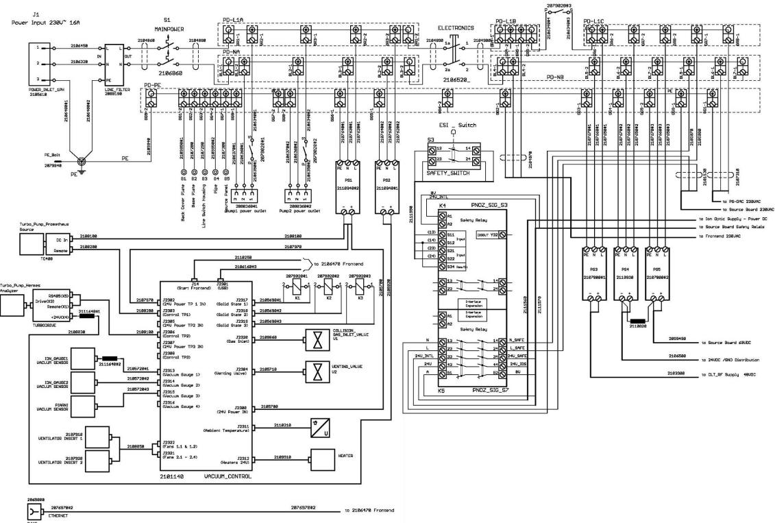
  Thermo Q-Exactive Block Diagram_1/2
 

 

  Thermo Q-Exactive Block Diagram_2/2