MDX Technology, Inc.                                               
    22691 Lambert Street, Suite 510
    Lake Forest, CA 92630
   
Toll Free: 1-866-872-7810  Direct: 714-837-7080  admin@mdxinc.com

 

  MDX Technology Home Refurbished Instrument Instrument Repair Services

Instrument Service Parts

Chromatograpy Consumable On Site Engineer Service Tools and Devices    Request Quote Contact Us  

 

Agilent LC Shimadzu LC Waters LC Surveyor LC HP 5890 GC TraceGC HP GCMSD GCQ TraceMS DSQ  

 

AB API2000 AB Mariner TSQ7000 LCQ Series LTQ Series Quantum LTQ Orbitrap Q-Exactive Fusion TSQ 8000  

 

Shimadzu LC/MS 8010 TSQ Quantiva Endura Dionex Ultiimate             Misc.  

 

 

Thermo LTQ Orbitrap -- Diagnostic, Troubleshoot and Services Parts

 
  • All items had refurbished and system level tested, meeting or surpassing functional specification and come with 30 days money back Warranty.

  • Exchange is trading defective part for fully refurbished replacement part and will provide Pre-paid shipping slip and please return defective unit back to us.

  • If can not find the parts you are looking for please Email admin@mdxinc.com or call Toll Free: 866-872-7810 Direct/Text 714-837-7080

  • For Inquire or Question please email admin@mdxinc.com or call Toll Free: 866-872-7810 Direct/Text 714-837-7080

  • For Ordering Via Paypay please provide PayPal email address Via (admin@mdxinc.com) will Check Stock and Provide you PayPal Invoice.            

  • For Ordering via Credit Card we can email you Credit Card Authorization form to authorize Credit Card payment.

 
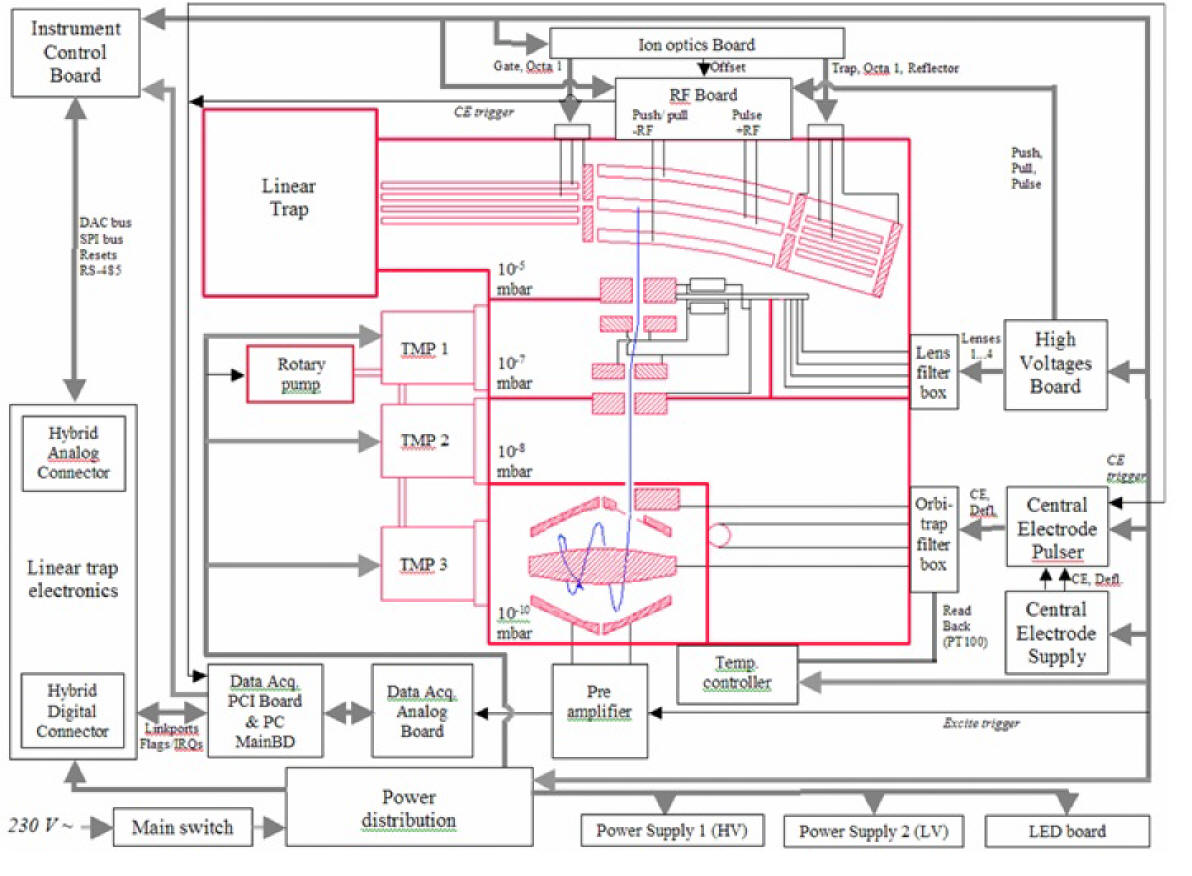
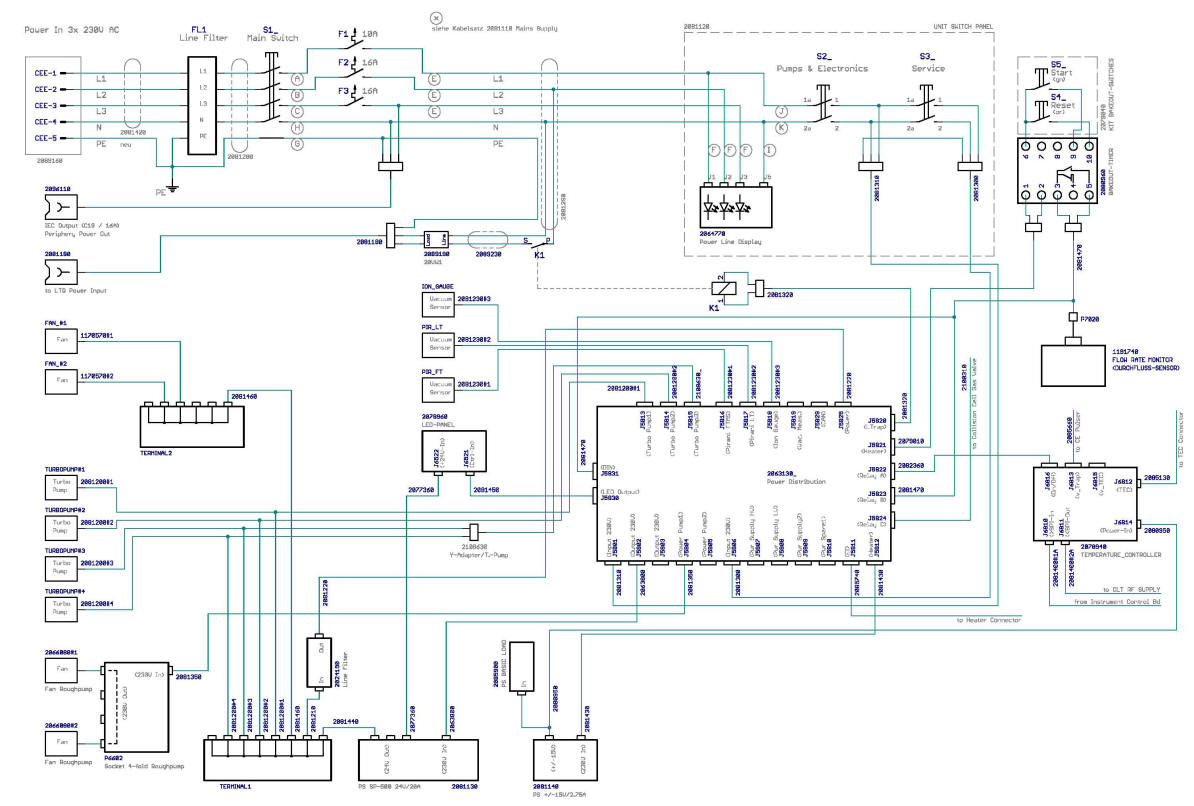
  Thermo LTQ Orbitrap Block Diagram_1/3
 

 

  Thermo LTQ Orbitrap Block Diagram_2/3
 

 

  Thermo LTQ Orbitrap Block Diagram_3/3
 

 

Printed Circuit Board (PCB's)

 

  MDX-2055810

OEM P/N:

2055810 MDX-2064040

OEM P/N:

2064040  

 

Picture Not Available Description: Power Supply 1
 
Picture Not Available Description: Power Supply 29V  
Condition: Refurbished Condition: Refurbished
  System Level Tested   System Level Tested
Exchange Price: Quick Quote (email) Exchange Price: Quick Quote (email)

 

  MDX-2062130

OEM P/N:

2062130 MDX-2081130

OEM P/N:

2081130  

 

Picture Not Available Description: Power Distribution
 
Picture Not Available Description: Power Supply 24V  
Condition: Refurbished Condition: Refurbished
  System Level Tested   System Level Tested
Exchange Price: Quick Quote (email) Exchange Price: Quick Quote (email)

 

  MDX-2081140

OEM P/N:

2081140 MDX-2064132

OEM P/N:

2064132  

 

Picture Not Available Description: Power Supply 15V
 
Picture Not Available Description: Data Acquisition  
Condition: Refurbished Condition: Refurbished
  System Level Tested   System Level Tested
Exchange Price: Quick Quote (email) Exchange Price: Quick Quote (email)

 

  MDX-2054221

OEM P/N:

2055810 MDX-2077991

OEM P/N:

2077991  

 

Picture Not Available Description: Instrument Control
 
Picture Not Available Description: High Voltage Power Supply  
Condition: Refurbished Condition: Refurbished
  System Level Tested   System Level Tested
Exchange Price: Quick Quote (email) Exchange Price: Quick Quote (email)

 

  MDX-2079661

OEM P/N:

2079661 MDX-2079582

OEM P/N:

2079582  

 

Picture Not Available Description: Central Electrode Power Supply Picture Not Available Description: CLT RF Mainboard  
Condition: Refurbished Condition: Refurbished
  System Level Tested   System Level Tested
Exchange Price: Quick Quote (email) Exchange Price: Quick Quote (email)

 

  MDX-2079640

OEM P/N:

2079640 MDX-2078930

OEM P/N:

2078930  

 

Picture Not Available Description: Central Electrode Pulser Picture Not Available Description: Temperature Controller  
Condition: Refurbished Condition: Refurbished
  System Level Tested   System Level Tested
Exchange Price: Quick Quote (email) Exchange Price: Quick Quote (email)

 

  MDX-2079661

OEM P/N:

2079661 MDX-2079582

OEM P/N:

2079582  

 

Picture Not Available Description: Central Electrode Power Supply Picture Not Available Description: CLT RF Mainboard  
Condition: Refurbished Condition: Refurbished
  System Level Tested   System Level Tested
Exchange Price: Quick Quote (email) Exchange Price: Quick Quote (email)

 

  MDX-2109250

OEM P/N:

2109250        

 

Picture Not Available Description: Pre Amplifier II        
Condition: Refurbished    
  System Level Tested    
Exchange Price: Quick Quote (email)    

 

Electronic Board Schematics

 
  • Electronic Board Schematics also available to purchasing or we can try repair the board for you. Please provide the board exact part number and revision, please contact us admin@mdxinc.com for more information.